GW Instek GSP-9330 - 3.25 GHz Spectrum Analyzer
TESTS MUST BE FAST!
The brand new GSP-9330, a high test speed spectrum analyzer with 3.25 GHz, provides the fastest 204 μs sweep speed. Users, via high speed sweep time, can easily handle and analyze modulation signals. The keys to handling modulated signals are fast sweep time and signal demodulation functions. In addition to the analog AM/FM demodulation and analysis function, GSP-9330 also provides digital signal ASK/FSK, and 2FSK demodulation and analysis capabilities. Nowadays, EMC issues are very crucial to product's design processes. Therefore, GSP-9330 has incorporated the EMC pretest solution to facilitate EMC tests. The simple and easy EMC pretest procedures from GSP-9330 can tremendously shorten users' product launch timeline.
Fastest Sweep Speed Up to 204us
For measuring signals, speed is one of the specifications to be considered. Perhaps, it is the most important specification. GSP-9330 provides sweep speed up to 204 μs. Users, via high speed sweep time, can easily capture transient signals such as Tire-pressure monitoring system (TPMS), frequency/amplitude modulation signals, Bluetooth frequency hopping signals, tuned oscillator or other interfering signals under ISM Band.
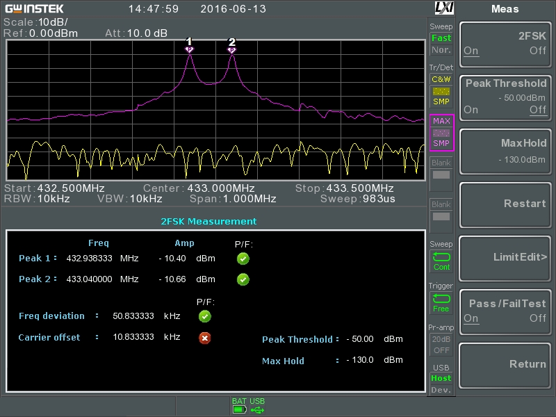
Modulation Signal Analysis and Processing
The keys to handling modulated signals are fast sweep time and signal demodulation function. In addition to the analog AM/FM demodulation and analysis function, GSP-9330 also provides ASK/FSK digital signal demodulation capability. For the widely-utilized, low-cost and low power consumption 2FSK modulation signals, GSP-9330 also provides the complete test and analysis function to address the requirements.

EMC Pretest Solution
GSP-9330 can meet customers’ EMC pretest requirements on the product development and verification stages. Users can detect and resolve problems at the early product development stage that can save time and money for product development and verification fee. As a result, users can expedite the process of products launch. GSP-9330 has the built-in EMI dedicated 200/9 k/120 k/1 MHz filter, 20 dB low noise amplifier and Quasi-Peak/Average detection mode to conduct radiation and conduction tests after collocating with the probe set.
GKT-008, the radiation test probe set, provides a complete near field test probe set to simplify the complex measurement procedures and to simulate 3m/10m far field tests from the labs. Using GKT-008 can greatly save engineers’ debugging time and the money for going back and forth to the labs. GKT-008 can collocate with the Tracking Generator function of GSP-9330 to conductEMSpretests.
For conduction tests, GKT-008 can collocate with LISN and Isolated Transformer to conduct electromagnetic conduction tests. If users concern EUT’s large voltage variation or complexity, applying a Transient Limiter will make test equipment safer.

- Frequency Range: 9kHz ~ 3.25GHz
- 0.025ppm Frequency Stability and 1ppm aging Rate
- RBW: 1Hz ~ 1MHz (3dB), 6dB EMI Filter: 200Hz, 9kHz, 120kHz, 1MHz
- Fastest sweep time: 204us
- Sensitivity: -149 dBm/Hz (@PreAmp on)
- Built-in Preamplifier, 50dB Attenuator, and Sequence Function
- Built-in EMC pretest function, Quasi-Peak/Average EMI detect mode
- Built-in 2FSK Analysis, AM/FM/ASK/FSK Demodulation & Analysis
- Built-in P1dB point, Harmonic, CHPW, OCBW, ACPR, SEM, TOI, CNR, CTB, CSO, N-dB bandwidth, Noise Marker, Frequency Counter, TDP, Gated Sweep
- Built-in Spectrogram, Topographic and Split-Window Display Modes
- Remote control EMI measurement software: SpectrumShot
- Remote Control Interface: LAN, USB, RS-232
- Options: Tracking Generator, GPIB Interface, Battery Pack
Frequency
Frequency
| Range | 9 kHz to 3.25 GHz |
| Resolution | 1 Hz |
Frequency Reference
| Accuracy | ±(period since last adjustment X aging rate) + stability over temperature + supply voltage stability | ||
| Aging Rate |
|
||
| Frequency Stability over Temperature |
|
||
| Supply Voltage Stability | ±0.02 ppm |
Frequency Readout Accuracy
| Start, Stop, Center, Marker | ±(marker frequency indication X frequency reference accuracy + 10% x RBW + frequency resolution) |
| Trace points | Max 601 points, min 6 points |
Marker Frequency Counter
| Resolution | 1 Hz, 10 Hz, 100 Hz, 1 kHz | ||
| Accuracy |
|
Frequency Span
| Range | 0 Hz (zero span), 100 Hz to 3.25 GHz | ||
| Resolution | 1 Hz | ||
| Accuracy |
|
Phase Noise
| Offset from Carrier | Fc =1 GHz; RBW = 1 kHz, VBW = 10 Hz; Average ≥ 40 | ||
| 10 kHz |
|
||
| 100 kHz |
|
||
| 1 MHz |
|
Resolution Bandwidth (RBW) Filter
| Filter Bandwidth |
|
||||
| Accuracy |
|
||||
| Shape Factor |
|
Video Bandwidth (VBW) Filter
| Filter Bandwidth |
|
Amplitude
Amplitude Range
| Measurement Range |
|
Attenuator
| Input Attenuator Range |
|
Maximum Safe Input Level
| Average Total Power |
|
||
| DC Voltage | ± 50 V |
1 dB Gain Compression
| Total Power at 1st Mixer |
|
||||
| Total Power at the Preamp |
|
||||
Displayed Average Noise Level (DANL)
| Preamp off | 0 dB attenuation; RF Input is terminated with a 50Ω load. RBW 10 Hz; VBW 10 Hz; span 500 Hz; reference level = -60dBm; trace average ≥ 40 | ||
| 9 kHz to 100 kHz |
|
||
| 100 kHz to 1 MHz |
|
||
| 1 MHz to 2.7 GHz |
|
||
| 2.7 GHz to 3.25 GHz |
|
||
| Preamp on | 0 dB attenuation; RF Input is terminated with a 50Ω load ; RBW 10 Hz; VBW 10Hz; span 500 Hz; reference level = -60dBm; trace average ≥ 40 | ||
| 100 kHz to 1 MHz |
|
||
| 1 MHz to 10 MHz |
|
||
| 10 MHz to 3.25 GHz |
|
Level Display Range
| Scales | Log, Linear | ||||
| Units | dBm, dBmV, dBuV, V, W | ||||
| Marker Level Readout |
|
||||
| Level Display Modes |
|
||||
| Number of Traces | 4 | ||||
| Detector |
|
||||
| Trace Functions | Clear & Write, Max/Min Hold, View, Blank, Average |
Absolute Amplitude Accuracy
| Absolute Point | Center=160 MHz ; RBW 10 kHz; VBW 1 kHz; span 100 kHz; log scale; 1 dB/div; peak detector; 23°C±1°C; Signal at Reference Level | ||
| Preamp off |
|
||
| Preamp on |
|
Frequency Response
| Preamp off | Attenuation: 10 dB; Reference: 160 MHz; 20 to 30°C |
| 100 kHz to 2.0 GHz | ± 0.5 dB |
| 2GHz to 3.25 GHz | ± 0.7 dB |
| Preamp on | Attenuation: 0 dB; Reference: 160 MHz; 20 to 30°C |
| 1 MHz to 2 GHz | ± 0.6 dB |
| 2 GHz to 3.25 GHz | ± 0.8 dB |
Attenuation Switching Uncertainty
| Attenuator setting | 0 to 50 dB in 1 dB step | ||
| Uncertainty |
|
RBW Filter Switching Uncertainty
| 1 Hz to 1 MHz |
|
Level Measurement Uncertainty
| Overall Amplitude Accuracy |
|
Spurious Response
| Second Harmonic Intercept |
|
||||||
| Third-order Intercept |
|
||||||
| Input Related Spurious |
|
||||||
| Residual Response (inherent) |
|
Sweep
Sweep Time
| Range |
|
RF Preamplifier
| Frequency Range | 1 MHz to 3.25 GHz | ||||
| Gain |
|
Front Panel Input/Output
RF Input
| Connector Type | N-type female | ||
| Impedance |
|
||
| VSWR |
|
Power for Option
| Connector Type | N-type female | ||
| Voltage/Current |
|
USB Host
| Connector Type | A plug | ||
| Protocol |
|
MicroSD Socket
| Protocol | SD 1.1 | ||
| Supported Cards |
|
Rear Panel Input/Output
Reference Output
| Connector Type | BNC female | ||
| Output Frequency |
|
||
| Output Amplitude | 3.3V CMOS | ||
| Output Impedance | 50 ohm |
Reference Input
| Connector Type | BNC female |
| Input Reference Frequency | 10 MHz |
| Input Amplitude | -5 dBm to +10 dBm |
| Frequency Lock Range | Within ± 5 ppm of the input reference frequency |
Alarm Output
| Connector Type |
|
Trigger Input/ Gated Sweep Input
| Connector Type | BNC Female |
| Input Amplitude | 3.3V CMOS |
| Switch | Auto selection by function |
LAN TCP/IP Interface
| Connector Type | RJ-45 |
| Base | 10Base-T; 100Base-Tx; Auto-MDIX |
USB Device
| Connector Type |
|
||
| Protocol |
|
IF Output
| Connector Type | SMA female | ||
| Impedance |
|
||
| IF Frequency |
|
||
| Output level |
|
Earphone Output
| Connector Type | 3.5mm stereo jack, wired for mono operation |
Video Output
| Connector Type | DVI-I ( integrated analog and digital) , Single Link. Compatible with VGA or HDMI standard through adapter |
RS232 Interface
| Connector Type |
|
GPIB Interface (Optional)
| Connector Type | IEEE-488 bus connector |
AC Power Input
| Power Source | AC 100 V to 240 V, 50 / 60 Hz Auto range selection |
Battery Pack (Optional)
| Battery pack |
|
||
| Voltage | DC 10.8 V | ||
| Capacity | 5200 mAh / 56Wh |
General
| Internal Data storage | 16 MB nominal | ||||
| Power Consumption | <65 W | ||||
| Warm-up Time | < 30 minutes | ||||
| Temperature Range |
|
||||
| Weight |
|
||||
| Dimensions |
|
Tracking Generator (Optional)
| Frequency Range | 100 kHz to 3.25 GHz | ||||||
| Output Power | -50 dBm to 0 dBm in 0.5 dB steps | ||||||
| Absolute Accuracy |
|
||||||
| Output Flatness |
|
||||||
| Output Level Switching Uncertainty |
|
||||||
| Harmonics |
|
||||||
| Reverse Power | +30 dBm max. | ||||||
| Connector type | N-type female | ||||||
| Impedance |
|
||||||
| Output VSWR |
|
||||||
Do you have a 3.25 GHz Spectrum Analyzer that needs to be calibrated?
We offer standard traceable calibration and ISO 17025 accredited calibration services.
Get your 3.25 GHz Spectrum Analyzer calibrated today! Click Here!
There are currently no reviews for this product.
Recommended Accessories for the 3.25 GHz Spectrum Analyzer
![]()
EMI Near Field Probe Set
![]()
Transient Limiter
![]()
Line Impedance Stabilization Network
