Soken DAC-PD-3 - Partial Discharge Measuring Set
Overview
Features
Specifications
Calibration
Providing both wideband (10kHz - 4MHz) and narrowband (10kHz - 200kHz), DAC-PD-3 is applicable to partial discharge tests of electric equipment, such as generators, motors, transformers as well as insulating materials and power devices.
Application
- Electric Equipment: Generators, motors, transformers, cables
- Electric Parts: Capacitors etc.
- Insulating materials
- Power devices
- High-frequency equipment: compact high-frequency transformers
Front Panel
- Q-MAX Mode: This mode is suitable for detecting the magnitude at a single maximum partial discharge.
- COUNT Mode: N-q Characteristic can be obtained by measuring the repetition rate of PD pulses for the Charge of PD pulses.
- AUTO COUNT mode: In AUTO COUNT MODE, the maximum partial discharge magnitude for the specified repetition rate of partial discharge pulses can be measured. (Partial discharge magnitude is output in Log and V-q Characteristic can be obtained.)
- Noise Suppressible Function:
- Periodicity noises can be masked.
- Pulse noises can be masked by detecting the noises from CT and aerial wire.
- Charge pulse can be masked for a given length of time to reflex waves after detection.
- Phase Gate Setup: Phase Gate can be set 0~359° at every 1° step optionally.
Function Explanation
- In Narrow Frequency (NARROW BAND), since PD pulses at 10kHz - 200kHz can be detected and amplified. Narrow Band mode is suitable for specimen constructed distribution contract circuit and can measure generators, motors, transformers, cables, and capacitors.
- In wideband (WIDEBAND), since PD pulse at 10kHz~4MHz can be detected and amplified, thus is superior for pulse resolution. The wideband mode is suitable for specimen constructed focused constant circuit and can measure power devices, compact high-frequency transformers.
- N-q characteristic test can be performed with COUNT mode since Pulse Counter is built-in. (N: repetition rate of PD pulse, q: partial discharge magnitude)
- Possible to analyze “partial discharge-phase” since the phase gate is set optionally.
- Periodicity noise can be masked. (External control is also possible.)
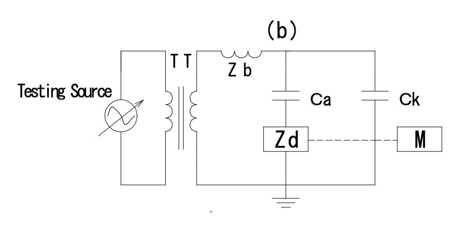
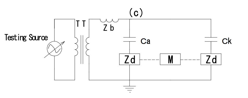
Connecting Diagrams

(a) Grounded Specimen

(b) Ungrounded Specimen

(c) Ungrounded Specimen(Balanced Circuit)
CA : Specimen
Ck : Coupling Capacitor
Zb : Blocking Coil
Zd : Detecting Impedance
M : Partial Discharge Measuring Set
Characteristic Observed



- Select bandwidth of frequency
- Narrow band: 10kHz - 200kHz
- Wideband: 10kHz - 4MHz
- Detects only partial discharge pulse by suppressing noises from testing source with a differential measuring circuit.
- Automatically measures Q-MAX at a specified repetition rate of partial discharge pulses per second (PPS).
- Possible to analyze “partial discharge – phase” since phase gate is set optionally.
- Noise suppressor circuit is controlled from outside through GP-IB.
General
| Attenuator |
| ||||||
| Amplifier |
| ||||||
| Pulse Counter | Max. 99999 counts (Pulse Resolution 10μs) | ||||||
| Q-MAX Display | 1pC - 100000pC | ||||||
| Interface | GP-IB | ||||||
| Analog Output | Linear, DC output by Log, Waveform monitor output | ||||||
| Other Specs | Phase Gate 0 - 359°(set every 1°steps optionally) | ||||||
| Power Source | AC100V±10% 50/60Hz | ||||||
| Size & Weight | W430 x H150 x D385 (mm) 11kg | ||||||
| Accessories | 1) Coaxial cable (BNC:20m x1, 2m x2) 2) AC Cord 1 pc 3) Grounding Cable 2 pcs 4) Storage Bag 1 pc | ||||||
Do you have a Partial Discharge Measuring Set that needs to be calibrated?
We offer standard traceable calibration and ISO 17025 accredited calibration services.
Get your Partial Discharge Measuring Set calibrated today! Click Here!
There are currently no reviews for this product.

